Home
Intro/History
Introduction
History
CHC
In Memory
Comms
Buntings
Sparkers
Submariners
WRNS
General
Port
Midships
Starboard
HMS
Various
Mercury
Ganges
Restoration
Awaiting Restoration
Restored Equipment
Photographs
Books/Publications
Publications
The Communicator
Personal
Bits & Bobs
Search
Contacts
Links
Radar & Navaids
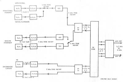
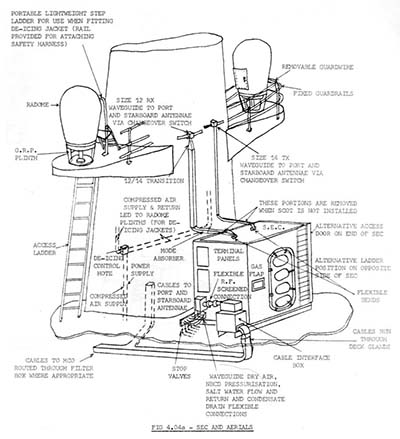
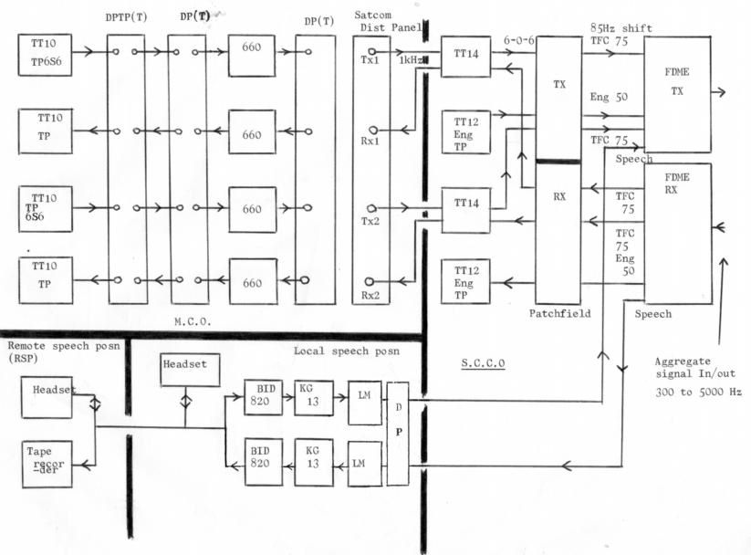
Satellite Communications
Written by Godfrey Dykes
© RN Communications Branch Museum/Library